STAHLWILLE(スタビレー) 456-19 (3/8SQ)ソケット (6角) (02110019)
商品状態:
数量をご入力してください:
台
本商品はお取り寄せ商品のため、稀にご注文入れ違い等により欠品・遅延となる場合がございます。誠に恐れ入りますが、何卒ご了承ください。
また、以下の場合には追加送料がかかる場合がございます。
・沖縄、離島および一部地域への配送時
・同梱区分が異なる商品の複数購入時
【出荷目安】:1 - 6営業日 ※土日・祝除く
【同梱区分】:TS 2146
【メーカー名】STAHLWILLE(スタビレー)
【型番】456-19
●AS-drive(面接触)で、より高品質なHPQシリーズの3/8”SQソケット。
●6角タイプ。
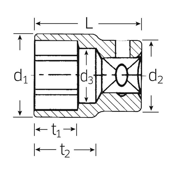
【仕様】
●差込角(”SQ):3/8
●サイズ(mm):19
●全長(mm):32
●ソケット部外径(d1;mm):25.2
●差込部外径(d2;mm):19
●ソケット奥内径(d3;mm):18
●ボルト接触部内面奥行き(t1;mm):13.5
●最大奥行き(t2;mm):19
●質量(g):39
営業時間
お支払いについて
配送について
送料について
返品について
各種お問い合わせ